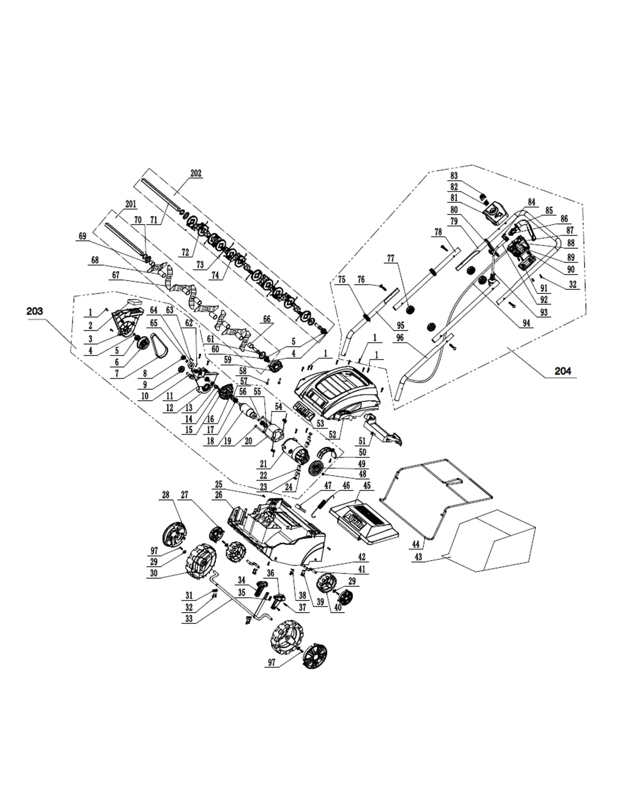
YARD FORCE 1500W SCARIFIER

Documents